台灣高品質的液壓閥, 液壓泵浦, 壓力控制閥, 流量控制閥,方向控制閥, 疊加控制閥, 齒輪泵浦製造商 | 立晟精密科技股份有限公司
繁體
|
簡體
|
English
電話 :
+886-4-24912963
|
lchsales1@gmail.com
Toggle navigation
首頁
關於我們
產品櫥窗
最新消息
型錄下載
FAQ
聯絡我們
搜尋
液控單向閥 CPDG‧CPDT‧CPDF 系列
首頁
>
產品櫥窗
>
方向控制閥系列
>
液控單向閥 CPDG‧CPDT‧CPDF 系列
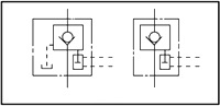
型號
CPDF-16-L
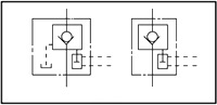
液控單向閥利用引導壓力的控制,打開防逆閥,使...
閱讀更多
詢問
符號圖
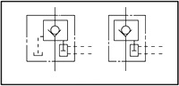
型號
CPDF-16
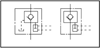
液控單向閥利用引導壓力的控制,打開防逆閥,使...
閱讀更多
詢問
符號圖
型號
CPDF-10-L
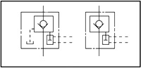
液控單向閥利用引導壓力的控制,打開防逆閥,使...
閱讀更多
詢問
符號圖
型號
CPDF-10
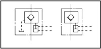
液控單向閥利用引導壓力的控制,打開防逆閥,使...
閱讀更多
詢問
符號圖
型號
CPST-03
液控單向閥利用引導壓力的控制,打開防逆閥,使...
閱讀更多
詢問
符號圖
型號
CPDT-04
液控單向閥利用引導壓力的控制,打開防逆閥,使...
閱讀更多
詢問
符號圖
型號
CPDT-06
液控單向閥利用引導壓力的控制,打開防逆閥,使...
閱讀更多
詢問
符號圖
型號
CPDT-10
液控單向閥利用引導壓力的控制,打開防逆閥,使...
閱讀更多
詢問
符號圖
型號
CPDG-03
液控單向閥利用引導壓力的控制,打開防逆閥,使...
閱讀更多
詢問
符號圖
型號
CPDG-06
液控單向閥利用引導壓力的控制,打開防逆閥,使...
閱讀更多
詢問
符號圖
型號
CPDG-10
液控單向閥利用引導壓力的控制,打開防逆閥,使...
閱讀更多
詢問
符號圖
連絡資訊
電話:
+886-4-24912963
傳真:
+886-4-24911266
lchsales1@gmail.com
WhatsApp ID : +886920438696
Skype : littlebee730526
Line ID : @995tbfel
41146 台中市太平區鵬儀路326巷13弄1號
全球據點
產品櫥窗
壓力控制閥系列
流量控制閥系列
方向控制閥系列
疊加控制閥系列
齒輪泵浦系列
電動止回閥系列
邏輯閥系列
液壓輪葉泵浦系列
LCH Precision Technology Co., Ltd © 2019 Rights Reserved.