磁控制溢流閥 / 電磁引導式溢流閥
首頁 > 壓力控制閥系列 > 磁控制溢流閥 / 電磁引導式溢流閥型號 BST-06-2P
特點:- 壓力控制閥,BST-06,與雙線圈電磁閥組合運用,藉以達到二段,或三段壓力。
- 油壓系統需要二種,或三種壓力時,此型閥是一種最簡便的設計。
型式號碼: BST-06-2P-1-3C6-A1-10
|
|
型號代碼 |
描述 |
|
1 |
BS |
系列號碼 (多壓力)電磁控制溢流閥 |
|
2 |
T |
安裝型式 T:管螺紋連接型 G:底板安裝型 |
|
3 |
06 |
口徑尺寸 06:3/4” |
|
4 |
2P |
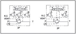
2P:雙壓力調整 3P: 三壓力調整 |
|
5 |
1 |
壓力調整範圍 1:7-70kgf/cm2 2:10-140kgf/cm2 3:15-250kgf/cm2 |
|
6 |
3C6 |
導壓型式 3C3 3C6 |
|
7 |
A1 |
電壓型式 A1:AC110V/60HZ A2:AC220V/60HZ A3:AC380V/50HZ A4: AC110V/50HZ A5:AC220V/50HZ D1:DC12V D2:DC24V |
|
8 |
10 |
設計號碼 |
規格表
|
型式號碼 |
最大壓力 kgf/cm2 |
壓力調整範圍 kgf/cm2 |
最大流量 l/min |
重量(kg) (不含電磁閥重量) |
螺絲規格 |
||
|
配管型 |
底板型 |
BST-** |
BSG-** |
BSG-** |
|||
|
- |
BSG-03-** |
250 |
1: 7-70 2:10-140 3:15-250 |
60 |
- |
7.3 |
M12x70x2pcs M12x90x2pcs |
|
BST-06-** |
BSG-06-** |
200 |
6.6 |
9.2 |
M16x60x2pcs M16x80x2pcs |
||

